
570HAD数显布洛维硬度计您现在的位置: 首页 > 570HAD数显布洛维硬度计

570HAD数显布洛维硬度计
详细说明
1 布氏、洛氏、维氏硬度的三种试验方法测试;
2 各硬度标尺之间的换算值;
3 硬度测试保持时间的选择;
4 年、月、日的修改;
5 RS232串行通讯,供用户扩展功能。
本硬度计还具备储存功能,可浏览硬度测试页面。硬度的测试结果可打印输出。
硬度计的技术参数
1:电源电压:AC220V±5%,50~60Hz
电源插座必须使用三芯插座,接地端必须符合规定的接地保护要求。
2:延时控制: 0~60秒可调
3:压头中心到机身距离: 165mm
4:硬度计外形尺寸(长×宽×高):551×260×800mm
5:仪器重量约: 80kg
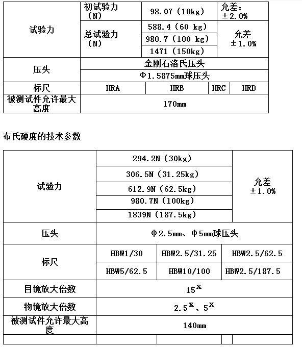
洛氏硬度的技术参数


上一个:MIT便携式里氏硬度计







